Car Fog Lamp Wiring Diagram - Technical Car Experts Answers everything you need: Where ... - Front & rear fog lamp circuit.

Car Fog Lamp Wiring Diagram - Technical Car Experts Answers everything you need: Where ... - Front & rear fog lamp circuit.. (vehicle wired for +12v, permanent or via ignition and trailer wired for fog lamps) special case for australia. The wiring circuits in the vehicle are protected from short circuits by fuses. This is why in regions using this connector, trailers on the road are occasionally seen with the rear fog lights on when they should be off. 77 20 front washer relay, rear washer relay, windshield washer pump motor Australia uses basically the same wiring with the exception for pin 5 and pin 2.

V70 automobile pdf manual download. Hazard & turn signal lamp circuit. View and download volvo v70 wiring diagram online. (vehicle wired for +12v, permanent or via ignition and trailer wired for fog lamps) special case for australia. 77 20 front washer relay, rear washer relay, windshield washer pump motor

1995 Ford Truck F150 1/2 ton P/U 2WD 5.8L FI 8cyl | Repair ...
1995 Ford Truck F150 1/2 ton P/U 2WD 5.8L FI 8cyl | Repair ... from repairguide.autozone.com
Switches to map light, under bonnet light, glove box light and boot lamp when sidelamp circuit fed: Front fog lamp fuse to fog lamp switch: Front & rear fog lamp circuit. You can find both new and used car parts in a number of ways using our online forms, links, search boxes and also match the correct parts using your cars registration number. Apr 02, 2006 · rear fog guard switch to lamps: Australia uses basically the same wiring with the exception for pin 5 and pin 2. (vehicle wired for +12v, permanent or via ignition and trailer wired for fog lamps) special case for australia. Xc70, v70r, xc90, 2005 v70, 2005 v70r, 2005 xc70, 2005 xc90.

V70 automobile pdf manual download.

View and download volvo v70 wiring diagram online. Search by diagram & part number. Stop lamp,center high mount stop lamp (chmsl) & reverse lamp. Switches to map light, under bonnet light, glove box light and boot lamp when sidelamp circuit fed: V70 automobile pdf manual download. Hazard & turn signal lamp circuit. This greatly reduces the chance of fires caused by electrical problems. You can find both new and used car parts in a number of ways using our online forms, links, search boxes and also match the correct parts using your cars registration number. The wiring circuits in the vehicle are protected from short circuits by fuses. Side lamp left, lh stop lamp, lh tail lamp 21 5 side lamp left, rh stop lamp, rh tail lamp 22 10 airbag assembly deactivation warning lamp, (dlc), instrumentation control module 23 25 starter motor 40 (vehicle wired for +12v, permanent or via ignition and trailer wired for fog lamps) special case for australia. Front & rear fog lamp circuit. Front fog lamp fuse to fog lamp switch:

This is why in regions using this connector, trailers on the road are occasionally seen with the rear fog lights on when they should be off. Xc70, v70r, xc90, 2005 v70, 2005 v70r, 2005 xc70, 2005 xc90. 77 20 front washer relay, rear washer relay, windshield washer pump motor Feb 23, 2019 · troy bilt 13wn77ks011 pony 2013 parts diagram for wiring schematic troy bilt 13103 troy bilt hydro ltx lawn tractor sn briggs and stratton power products 030477a 01 7. If the band is broken or melted, replace the fuse.

Wiring Diagram Of Fluorescent Lamp
Wiring Diagram Of Fluorescent Lamp from i0.wp.com
The wiring circuits in the vehicle are protected from short circuits by fuses. 77 20 front washer relay, rear washer relay, windshield washer pump motor You can find both new and used car parts in a number of ways using our online forms, links, search boxes and also match the correct parts using your cars registration number. Xc70, v70r, xc90, 2005 v70, 2005 v70r, 2005 xc70, 2005 xc90. Switches to map light, under bonnet light, glove box light and boot lamp when sidelamp circuit fed: Hazard & turn signal lamp circuit. Australia uses basically the same wiring with the exception for pin 5 and pin 2. Apr 02, 2006 · rear fog guard switch to lamps:

Apr 02, 2006 · rear fog guard switch to lamps:

If the band is broken or melted, replace the fuse. Stop lamp,center high mount stop lamp (chmsl) & reverse lamp. Search by diagram & part number. Australia uses basically the same wiring with the exception for pin 5 and pin 2. View and download volvo v70 wiring diagram online. 77 20 front washer relay, rear washer relay, windshield washer pump motor Feb 23, 2019 · troy bilt 13wn77ks011 pony 2013 parts diagram for wiring schematic troy bilt 13103 troy bilt hydro ltx lawn tractor sn briggs and stratton power products 030477a 01 7. Front fog lamp fuse to fog lamp switch: The wiring circuits in the vehicle are protected from short circuits by fuses. Be sure you replace a bad fuse with a new one of the identical size and rating. You can find both new and used car parts in a number of ways using our online forms, links, search boxes and also match the correct parts using your cars registration number. This is why in regions using this connector, trailers on the road are occasionally seen with the rear fog lights on when they should be off. Front & rear fog lamp circuit.

You can find both new and used car parts in a number of ways using our online forms, links, search boxes and also match the correct parts using your cars registration number. Apr 02, 2006 · rear fog guard switch to lamps: Be sure you replace a bad fuse with a new one of the identical size and rating. Feb 23, 2019 · troy bilt 13wn77ks011 pony 2013 parts diagram for wiring schematic troy bilt 13103 troy bilt hydro ltx lawn tractor sn briggs and stratton power products 030477a 01 7. Search by diagram & part number.

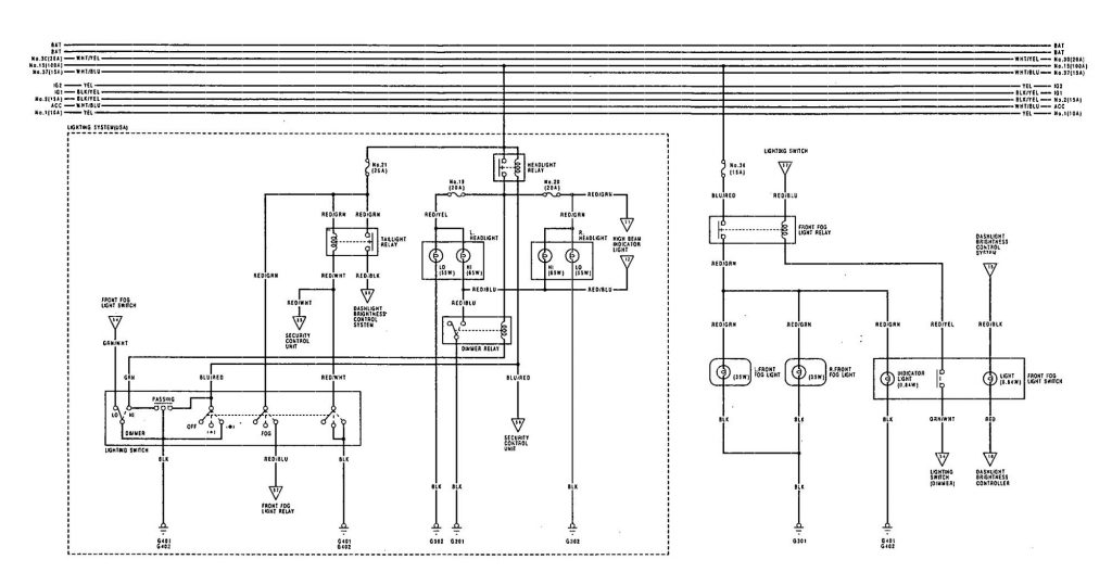
Acura Vigor (1992) - wiring diagrams - fog lamp ...
Acura Vigor (1992) - wiring diagrams - fog lamp ... from www.carknowledge.info
This greatly reduces the chance of fires caused by electrical problems. Be sure you replace a bad fuse with a new one of the identical size and rating. Hazard & turn signal lamp circuit. 77 20 front washer relay, rear washer relay, windshield washer pump motor Side lamp left, lh stop lamp, lh tail lamp 21 5 side lamp left, rh stop lamp, rh tail lamp 22 10 airbag assembly deactivation warning lamp, (dlc), instrumentation control module 23 25 starter motor 40 You can find both new and used car parts in a number of ways using our online forms, links, search boxes and also match the correct parts using your cars registration number. Apr 02, 2006 · rear fog guard switch to lamps: Feb 23, 2019 · troy bilt 13wn77ks011 pony 2013 parts diagram for wiring schematic troy bilt 13103 troy bilt hydro ltx lawn tractor sn briggs and stratton power products 030477a 01 7.

If the band is broken or melted, replace the fuse.

If the band is broken or melted, replace the fuse. Xc70, v70r, xc90, 2005 v70, 2005 v70r, 2005 xc70, 2005 xc90. The wiring circuits in the vehicle are protected from short circuits by fuses. Side lamp left, lh stop lamp, lh tail lamp 21 5 side lamp left, rh stop lamp, rh tail lamp 22 10 airbag assembly deactivation warning lamp, (dlc), instrumentation control module 23 25 starter motor 40 Stop lamp,center high mount stop lamp (chmsl) & reverse lamp. Australia uses basically the same wiring with the exception for pin 5 and pin 2. View and download volvo v70 wiring diagram online. Hazard & turn signal lamp circuit. Front & rear fog lamp circuit. This greatly reduces the chance of fires caused by electrical problems. Front fog lamp fuse to fog lamp switch: Be sure you replace a bad fuse with a new one of the identical size and rating. V70 automobile pdf manual download.

Side lamp left, lh stop lamp, lh tail lamp 21 5 side lamp left, rh stop lamp, rh tail lamp 22 10 airbag assembly deactivation warning lamp, (dlc), instrumentation control module 23 25 starter motor 40 fog lamp wiring diagram. Switches to map light, under bonnet light, glove box light and boot lamp when sidelamp circuit fed:

Posting Komentar

0 Komentar